吉林铁道职业技术学院校园内建设火车头广场,需要进行路基和轨道施工,现邀请有施工能力的公司前来现场勘察和报价。
一、工程概况
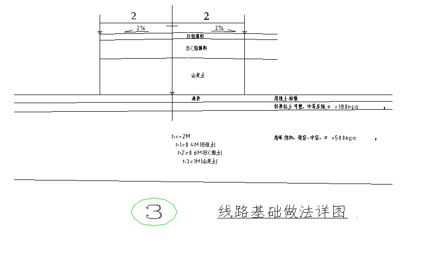
1、作业面(100平方米,长25米,宽4米);
2、作业面回填(山皮石厚度1米、BC组厚度0.6米、B组填料厚度0.4米);
3、铺设轨道枕木(43根);
4、铺设钢轨(50kg/m);
5、工程量及相关要求见附表和示意图。
二、报名要求
1、在中国境内依法登记注册并仍有效存续的公司,具有独立承担民事责任的能力,具有良好的信誉、诚实信用,没有不良记录。
2、公司具有本次询价项目的经营范围,具有履行合同所必需的设备和专业技术能力,能独立承担本工程。
3、工程保修期一年,施工完毕验收合格后支付95%,剩余5%作为质保金。一年期满后无质量问题返还质保金。
4、报名时需携带公司资质原件及复印件,公司负责人身份证复印件。
5、本工程预算价格:49600元。
三、公告时间:2015年8月3日至2015年8月10日
四、现场勘察答疑时间:2015年8月10日9:00时到铁道学院办公楼大厅集合后统一进行。
五、报价时间及地点
1、报价时间:2015年8月11日8:00—11:00。
2、报价地点:吉林铁道职业技术学院(吉林市永吉经济开发区吉桦路666号)后勤与资产管理处(行政办公楼112室)。(报价单加盖公章密封于信封)
六、中标原则:最低价中标。
报名联系人:周环宇 联系电话:13894706377
火车头广场路轨铺设施工工程量
序 | 项 目 | 单 位 | 工 程 量 | 备 注 |
1 | 路床(槽)整形 | 平方米 | 100 | |
2 | 垫层(山皮石) | 立方米 | 100 | 厚度1米 |
3 | 垫层(BC组填料) | 立方米 | 60 | 厚度0.6米 |
4 | 垫层(B组填料) | 立方米 | 40 | 厚度0.4米 |
5 | 轨道枕木 | 根 | 43 | |
6 | 轨道(50 kg/m) | kg | 2500 | 含相关配件 |
